Описание
Характеристики
Отзывы
Описание
Если вы хотите заказать фитинг из нержавеющей стали AISI 316, замените первые две цифры артикула с 10.... на 11....
Если вы хотите заказать фитинг из нержавеющей стали AISI 316 с гайкой из нержавеющей стали AISI 304, замените первые две цифры артикула с 10.... на 14....
Если вы хотите заказать фитинг из нержавеющей стали AISI 316 с гайкой из нержавеющей стали AISI 304, замените первые две цифры артикула с 10.... на 14....
Характеристики
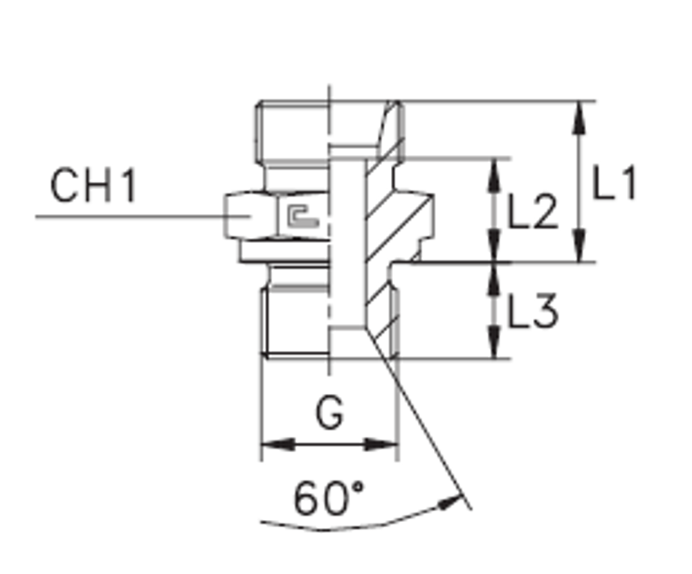
| Артикул | Бренд | CH1 | CH2 | L1 (мм) | L2 (мм) | L3 | L4 | Ø трубы D1 | WP (bar) | Исполнение трубного соединения | резьба G | Резьба ТС 1 | Резьба ТС 2 | серия | Стандарт ТС | Тип трубного соединения |
| 100354.1 | CAST | 55 | 60 | 30 | 19 | 20 | 42 | 42 | 160 | прямой | 1.1/4 | M | BSP | L | Соединения 24° DIN 2353 | ввертной |
Характеристики
Бренд
CAST
WP (bar) рабочее давление
160
Размер CH1
55
Серия
L
Размер CH2
60
Размер L2 (мм)
19
Размер L1 (мм)
30
D трубы M1 D1
42
Размер резьбы 5
1.1/4
Размер L3
20
Размер L4
42
Стандарт трубных соединений
Соединения 24° DIN 2353
Тип трубного соединения
ввертной
Исполнение трубного соединения
прямой
Резьба трубного соединения 1
M
Резьба трубного соединения 2
BSP
Резьба ТС 2
BSP
Резьба ТС 1
M
Все характеристики
Отзывы
Отзывов еще никто не оставлял
