Описание
Характеристики
Отзывы
Описание
Если Вы хотите заказать фитинг из нержавеющей стали AISI 316, замените первые две цифры артикула с 10.... на 11....
Если Вы хотите заказать фитинг из нержавеющей стали AISI 316 с гайкой из нержавеющей стали AISI 304, замените первые две цифры артикула с 10.... на 14....
Позиция не соответствует норме ISO 8434-1, доступна только по запросу.
Если Вы хотите заказать фитинг из нержавеющей стали AISI 316 с гайкой из нержавеющей стали AISI 304, замените первые две цифры артикула с 10.... на 14....
Позиция не соответствует норме ISO 8434-1, доступна только по запросу.
Характеристики
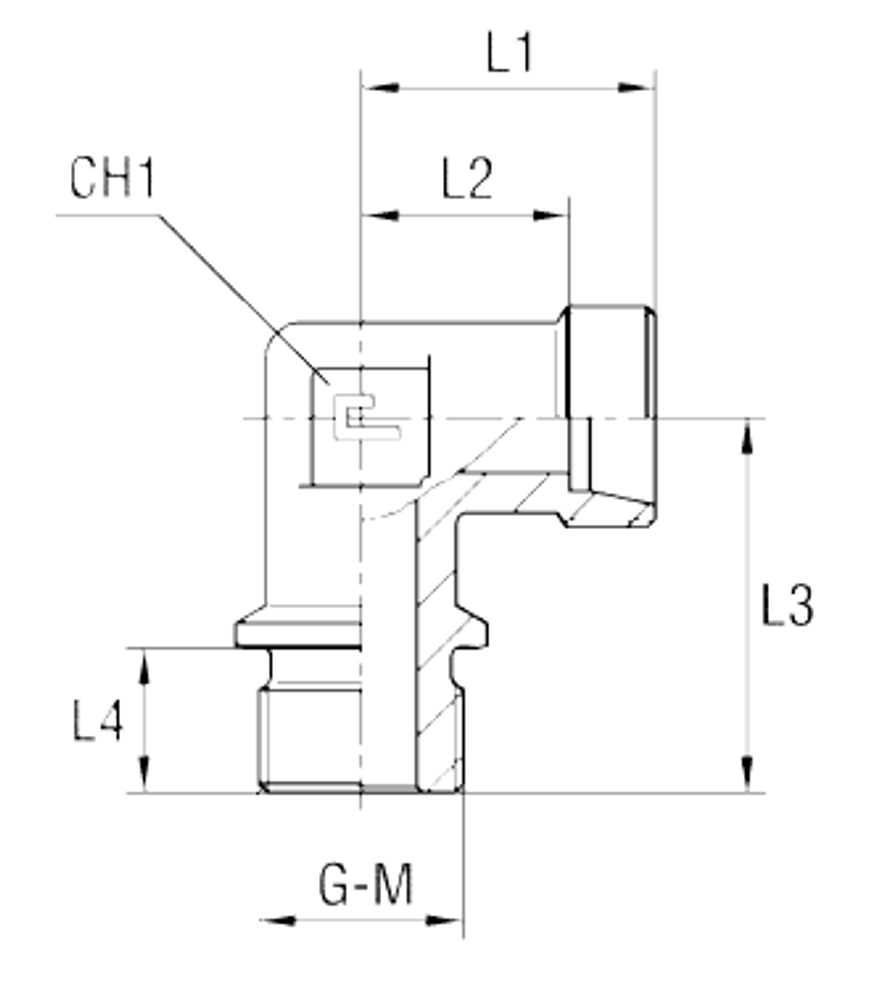
| Артикул | Бренд | CH1 | CH2 | L1 (мм) | L2 (мм) | L3 | L4 | L5 | Ø трубы D1 | WP (bar) | Исполнение трубного соединения | резьба G | Резьба ТС 1 | Резьба ТС 2 | серия | Стандарт ТС | Тип трубного соединения |
| 102311.1 | CAST | 36 | 41 | 38 | 30,5 | 49 | 17 | 47 | 28 | 160 | 90 град. | 1 | BSP | BSP | L | Соединения 24° DIN 2353 | ввертной |
Характеристики
Бренд
CAST
WP (bar) рабочее давление
160
Размер CH1
36
Серия
L
Размер CH2
41
Размер L2 (мм)
30,5
Размер L1 (мм)
38
D трубы M1 D1
28
Размер резьбы 5
1
Размер L3
49
Размер L4
17
Размер L5
47
Стандарт трубных соединений
Соединения 24° DIN 2353
Тип трубного соединения
ввертной
Исполнение трубного соединения
90 град.
Резьба ТС 2
BSP
Резьба ТС 1
BSP
Все характеристики
Отзывы
Отзывов еще никто не оставлял
